Контакты
Новости
Каталоги
 Войти
Сортировать:
Сначала новые
Сначала старые
Цена ↑
Цена ↓
Кол-во ↑
Кол-во ↓
Имя A→Я
Имя Я→A
Серийник ↑
Серийник ↓
47517242 - Ремень привода вентилятора выдува 2097мм CX6 сн после 952
21 137 ₽
84373502 - Ремень прив. ген., насоса вод., компр. конд. ДВС T8./Mg. 11 14г.в., Axion9
5 654 ₽
238-5327 - 5327 Кольцо упл. TJT9./St., 2366/88, 6130/40
167 ₽
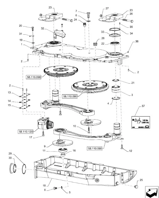
191709A1 - Кольцо толщ. 0,076мм. подш. хвостовика моста TJT9./St.
427 ₽
87347945 - Набор втулок и роликов подв. сид. опер. TGT8./Mg., TJT9./St.
10 098 ₽
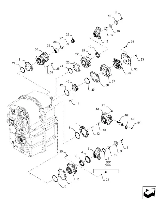
86623593 - Подшипник кон. в сб. вала КПП / редукт. ДВС TJ T9./St. CX8, CR
22 623 ₽
90355669 - Ремень прив. изм. с шкива гл. 4170мм CS, CSX, CX6
22 107 ₽
504045796 - Прокладка теплообм. ДВС Cursor8K/10/13 T9,T9.505/St., CR, Str., Tr.
1 154 ₽
342028A1 - пластина
21 932 ₽
47582431 - Вал 3й в сборе КПП T9T9./St.
555 641 ₽
86500890 - Подшипник конич. в сб. вала КПП TJ T9./St.
28 534 ₽
85000175 - Редуктор МКШ жатки H/E Cap, Vari, 720, 2030
214 042 ₽
84137965 - Ремень прив. элев. зерн. CR с 11г.в.
25 780 ₽
47809628 - Компрессор конд. (7H15, 8 руч. муфта) TG T8./Mg., TJT9./St.
55 759 ₽
9823420 - Подшипник кон. корп. дифф. моста задн. TGT8./Mg., TJT9./St., редукт. ДВС 6130/40/50
11 929 ₽
84192753 - ремень
56 062 ₽
86566790 - Цепь (H 1я ст. усил.) прив. выгр. шнека CX8, CR сн до 799
5 692 ₽
428183A1 - Подшипник конич. в сб. вала КПП/ВОМ TJ T9./St.
13 783 ₽
87713744 - демпфер
14 633 ₽
87315721 - Подшипник тяги прив. стана реш. CX8./CR9., 8010, 8230/40/50
17 612 ₽
90432685 - Рычаг электр. упр. КПП на рул. колонке T8./Mg., T9./St.
88 643 ₽
86566566 - Штуцер 3/8"24 муфты гидравл. включения TC5, CS, CSX, CX6, CR9080"
29 792 ₽
84597068 - Фильтр топл. тонк. оч. ДВС Cursor10/13 T9,T9.505/St., CR, Tr., Str.
2 373 ₽
5096729 - Фильтр масл. с лого Case ДВС TD5.110/JX110
1 286 ₽
«
<
1
...
4
5
6
7
8
...
34117
>
»
Страница:
Перейти